В этом браузере сайт может отображаться некорректно. Рекомендуем Вам установить более современный браузер.
Chrome Safari Firefox Opera ExplorerУралхиммаш – один из ведущих производителей средне- и крупнотоннажного емкостного оборудования в России. Завод проектирует, производит и выполняет монтаж емкостного оборудования по техническим требованиям заказчика и типовым проектам.
В сентябре 2023 года Уралхиммаш получил заключение о соответствии системы менеджмента качества (СМК) стандартам ИНТИ и разрешение на использование монограммы для емкостного оборудования. По итогам проведения всех необходимых процедур, включавших анализ документации, камеральные и выездные проверки на территории производства, Уралхиммашу было выдано заключение о соответствии системы менеджмента качества предприятия стандарту ИНТИ INTI S.QS.1-2020 «Система менеджмента качества. Требования», что позволяет заводу войти в один из крупнейших каталогов продукции для энергетической отрасли с перспективами дальнейшего расширения международного сотрудничества.

| ПРОДУКЦИЯ_ЕМКОСТНОЕ ОБОРУДОВАНИЕ | ||||||
|---|---|---|---|---|---|---|
| Наименование | Эскиз | Параметры | Основной материал | Примечания | ||
| Давление, МПа | Объем, м3 | Температура эксплуатации, °С | ||||
| Емкости горизонтальные цельносварные | ||||||
|
С эллиптическими днищами и трубным пучком или без него (ГЭЭ)
|
|
от 0,6 до 1,6 |
от 6,3 до 100 |
-20…+200 -40…+200 -50…+200 -60…+200 -70…+200 |
Ст3 Гпс5 09Г2С–12 09Г2С–13 09Г2С–14 09Г2С–15 12Х18Н10Т 10Х17Н13М2Т |
1. Давление теплоносителя, не более 0,6 МПа
2. Предназначены для приема, хранения и выдачи жидких и газообразных сред
|
|
С коническими неотбортованными днищами (ГКК) |
|
атмосферное |
от 2 до 100 |
|||
|
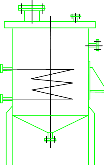
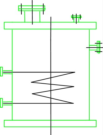
Емкости вертикальные с эллиптическим днищем (ВЭЭ) на опорах – стойках и на опорах – лапах. |
||||||
|
Цельносварные: без рубашки |
от 0,6 до 1,6 |
1; 2; 3,2; 5; 6,3; 10; 16; 25 |
-20…+200
-40…+200
-50…+200
-60…+200
-70…+200 |
Ст3 Гпс5
09Г2С – 12
09Г2С – 13
09Г2С – 14
09Г2С – 15 12Х18Н10Т 10Х17Н13М2Т |
|
|
|
с рубашкой |
|
от 0,6 до 1,0 |
1; 2; 3,2; 6,3; 10 |
|||
|
Со съемной эллиптической крышкой, с рубашкой и без нее |
|
от 0,6 до 1,0 |
1; 2; 3,2 |
|||
|
Емкости вертикальные с коническим днищем (ВКЭ) на опорах – стойках и на опорах – лапах. |
||||||
|
Цельносварные с верхним эллиптическим днищем с рубашкой или без нее |
|
от 0,6 до 1,0 |
1; 2; 3,2; 5; 6,3; 10 |
-20…+200 -40…+200 -50…+200 -60…+200 -70…+200 |
Ст3 Гпс5 09Г2С – 12 09Г2С – 13 09Г2С – 14 09Г2С – 15 12Х18Н10Т 10Х17Н13М2Т |
|
|
Со съемной эллиптической крышкой, с рубашкой или без нее |
|
от 0,6 до 1,0 |
1; 2; 3,2
|
|||
|
Баки |
||||||
|
Вертикальные с плоскими днищами (ВПП) или с верхним коническим (ВПК), со змеевиком или без него |
|
в аппарате- атмосферное, в змеевике–0,6 |
от 10 до 63 |
-20…+200 -40…+200 -50…+200 -60…+200 -70…+200 |
Ст3 Гпс5 09Г2С – 12 09Г2С – 13 09Г2С – 14 09Г2С – 15 12Х18Н10Т 10Х17Н13М2Т |
Предназначены для хранения жидких, невзрывоопасных, нетоксичных, невзрывопожаро-опасных веществ. Могут быть использованы в качестве отстойников. |
|
Вертикальные с нижним коническим и верхним плоским неотбортованными днищами (ВКП) со змеевиком или без него |
|
в аппарате атмосферное, в змеевике–0,6 |
10; 16; 25 |
|||
|
Воздухосборники |
||||||
|
Воздухосборники для воздушных стационарных компрессоров общего назначения по ТУ26-01-1073-90 |
|
0,8 |
от 2 до 25 |
-20…+200 -40…+200 -50…+200 -60…+200 -70…+200 |
Ст3 Гпс5 09Г2С – 12 09Г2С – 13 09Г2С – 14 09Г2С – 15
|
Давление может быть изменено по требованию заказчика. |
|
Резервуары |
||||||
|
Резервуары стальные вертикальные цилиндрические для нефти, нефтепродуктов и других жидкостей с нагревателями или без них |
|
атмосферное |
от 200 до 5000 |
-20…+200 -40…+200 -50…+100 -60…+100 -70…+100 |
Ст3 Гпс5 09Г2С – 12 09Г2С – 13 09Г2С – 14 09Г2С – 15 12Х18Н10Т 10Х17Н13М2Т |
1. Поставка резервуара производится в разобранном виде. Стенка – свернутая в рулон. 2. Давление теплоносителя, не более 0,6 Мпа. |
|
Аппараты с требованиями по ОСТ 26.291-94 |
||||||
|
Емкостные аппараты горизонтальные и вертикальные для любых сред |
|
не более 16 или под налив |
до 200 |
Не ниже -70 °С |
|
Эксплуатационные параметры и конструктивное исполнение по требованию заказчика. |
Емкостное оборудование изготавливается по конструкторской документации на конкретный аппарат.
Завод выпускает аппараты емкостные цилиндрические нецилиндрические объемом до 8000 м³, работающие под избыточным давлением до 21 МПа, вакуумом или без давления (под налив).
Аппараты изготавливаются следующих модификаций:
– аппараты горизонтальные (цилиндрические):
– аппараты вертикальные (цилиндрические):
Емкостное оборудование предназначено для приема, хранения, поддержания температуры жидких и газообразных веществ, температура которых обуславливает материальное исполнение аппарата в соответствии с ГОСТ 34347, для проведения технологических процессов и эксплуатации с рабочими веществами, показатели пожарной безопасности которых должны соответствовать ГОСТ 12.1.004, классы опасности по ГОСТ 12.1.007, показатели взрывоопасности – категория взрывоопасности смеси по ГОСТ 30852.11, группа взрывоопасной смеси по ГОСТ 30852.5.
Аппараты являются изделиями единичного и мелкосерийного производства по ГОСТ 15.005 и ГОСТ Р 15.301.
По требованию заказчика аппараты горизонтальные и вертикальные могут быть изготовлены с полусферическими днищами.
Аппараты, работающие при температуре свыше минус 70°С, должны соответствовать требованиям ГОСТ 34347, ОСТ 26.260.482, ПБ 03-584, ФНП «Общие правила взрывобезопасности для взрывопожароопасных химических, нефтехимических и нефтеперерабатывающих производств», ФНП «Правила промышленной безопасности опасных производственных объектов, на которых используется оборудование, работающее под избыточным давлением», ГОСТ 24444, комплекта конструкторской документации согласно спецификации на конкретный аппарат.
Материальное исполнение корпуса аппарата:
|
Материал корпуса |
Рабочее давление МПа (кгс/см2) не более |
Температура стенки, °С |
|
|
Марка |
Нормативный документ |
||
|
20К категории 5
|
ГОСТ 5520 |
32 (320) |
От минус 20 до плюс 200 |
|
09Г2С категории 7
|
ГОСТ 5520 |
От минус 50 до плюс 200 |
|
|
09Г2С категории 8
|
От минус 60 до плюс 200 |
||
|
09Г2С категории 9
|
От минус 70 до плюс 200 |
||
|
17ГС, 16ГС, 09Г2С категории 6 |
ГОСТ 5520 |
От минус 40 до плюс 200 |
|
|
12ХМ |
ГОСТ 5520 |
От 0 до плюс 540 |
|
|
12Х18Н10Т |
ГОСТ 7350 |
От минус 70 до плюс 350 |
|
|
10Х17Н13М2Т |
ГОСТ 7350 |
||
|
08Х22Н6Т |
ГОСТ 7350 |
От минус 40до плюс 300 |
|
|
06ХН28МДТ |
ГОСТ 7350 |
От минус 70 до плюс 400 |
|
|
Титан ВТ1-0 |
ГОСТ 23755 |
10,0 (100) |
От минус 30 до плюс 250 |
Допускается изготовление аппаратов из других материалов, допущенных к применению ОСТ 26.260.482, ГОСТ 34347, ОСТ 26.260.482.
Допускается по согласованию со специализированной организацией и органами Госгортехнадзора России применение материалов, в том числе импортных, изготовленных по другим стандартам и техническим условиям, если показатели качества материала по ним не ниже установленных ОСТ 26.260.482, ГОСТ 34347.
Конструкция аппарата, его показатели назначения разрабатываются заводом по техническому проекту или исходным данным технического задания. Конструкция аппарата должна обеспечивать безопасность при эксплуатации, предусматривать возможность технического осмотра и ремонта аппарата. Необходимость, периодичность и продолжительность остановки работы аппарата для проведения техобслуживания и ремонта определяется эксплуатирующей организацией в зависимости от характера технологического процесса и возможности безопасного проведения работ в соответствии с ремонтной документацией.
Аппараты снабжены технологическими штуцерами, люками или смотровыми лючками, обеспечивающими осмотр, очистку, безопасность работ по защите от коррозии, монтаж и демонтаж разборных внутренних устройств, ремонт и контроль сосудов.
Необходимость термической обработки аппарата обусловлена условиями изготовления и эксплуатации в соответствии с требованиями ГОСТ 34347, ОСТ 26.260.482, ОСТ 26-18-6, ОСТ 26-01-151.
Лакокрасочные покрытия наружной поверхности аппарата соответствуют требованиям рабочей документации. Подготовка поверхностей под окраску производится по технологии предприятия-изготовителя с учетом требований ГОСТ 9.402 и ГОСТ 9.032. Качество окрашенных поверхностей соответствует VII и выше классам по ГОСТ 9.032.
Сварные швы обечаек и днищ должны быть стыковыми и выполнены сваркой по ГОСТ 8713, ГОСТ 14771, ГОСТ 15164, ГОСТ 5264, ОСТ 26.260.3.
К корпусу аппарата, предназначенного для работы при температуре выше 45°С, приварены детали для крепления теплоизоляции.
По требованию заказчика к корпусу аппарата приваривают опорные пластины для крепления площадок, лестниц и других устройств.
Установленный срок службы аппарата соответствует техническим характеристикам сосуда. Количество циклов нагружения должно быть не более 1000 за весь срок эксплуатации. Число циклов нагружения более 1000 должно подтверждаться расчетом на малоцикловую нагрузку.
В комплект поставки входит:
Конструктивное исполнение аппарата подтверждается прочностными расчетами и испытаниями, проводимыми предприятием-изготовителем.
Наружная поверхность аппарата с температурой более 45°С теплоизолирована. Температура наружных поверхностей отдельных элементов аппарата в местах доступных для обслуживающего персонала должна быть не более 45°С при эксплуатации аппарата в помещении, и не более 60°С при эксплуатации аппарата на открытой площадке.
Аппараты снабжены устройством для заземления для предотвращения накапливания статического электричества.
Аппараты не являются источником шума, вибрации и вредных выбросов в зоне их обслуживания и не оказывают отрицательного воздействия на окружающую среду.
Установка аппаратов должна исключать возможность их опрокидывания, а также обеспечивать наружный осмотр, ремонт, очистку.
Аппараты должны подвергаться техническому освидетельствованию после монтажа, до пуска в работу, периодически в процессе эксплуатации и в необходимых случаях – внеочередному освидетельствованию.
Ремонт аппаратов во время работы не допускается.
Каждый аппарат проходит приемку отделом технического контроля (ОТК) предприятия.
ОТК обеспечивает контроль качества выполнения работ, который заключается в организации и проведении в соответствии с ГОСТ 24297 входного контроля материалов и комплектующих изделий и операционного контроля в процессе изготовления аппарата.
Каждый аппарат подвергается приемо-сдаточным испытаниям для определения его соответствия требованиям нормативной и рабочей документации на конкретное изделие и принятия решения о возможности отгрузки аппарата заказчику.
Аппараты транспортируются железнодорожным, водным или автомобильным транспортом.
Аппараты транспортируются без упаковки на подкладных брусьях.
Монтаж аппаратов выполняется монтажной организацией в соответствии с проектом производства монтажных работ.
Аппараты могут эксплуатироваться как на открытом воздухе, так и в помещении в соответствии с условиями эксплуатации.
Аппараты должны эксплуатироваться в соответствии с действующей у потребителя системой планово-предупредительных ремонтов.
620010, Свердловская область,
г. Екатеринбург, пер. Хибиногорский, 33.
Телефон: +7 (343) 310-08-00 E-mail: general@ekb.ru